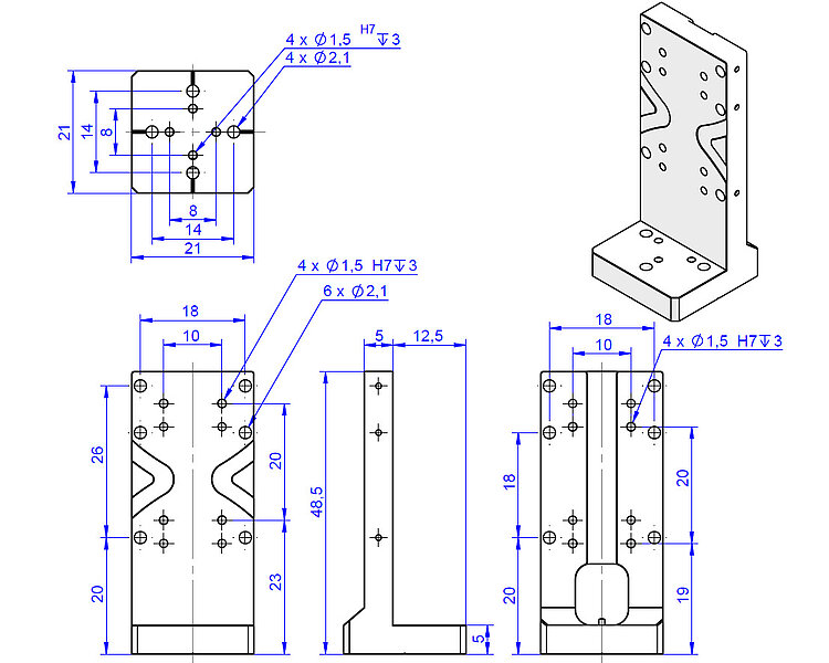
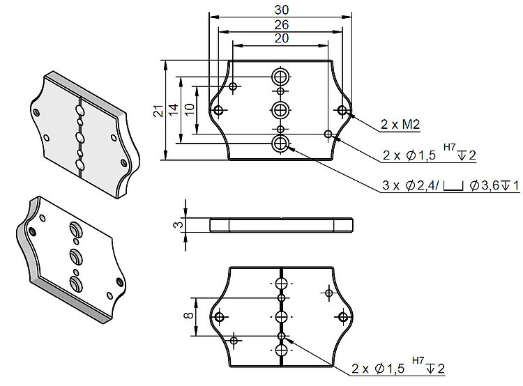
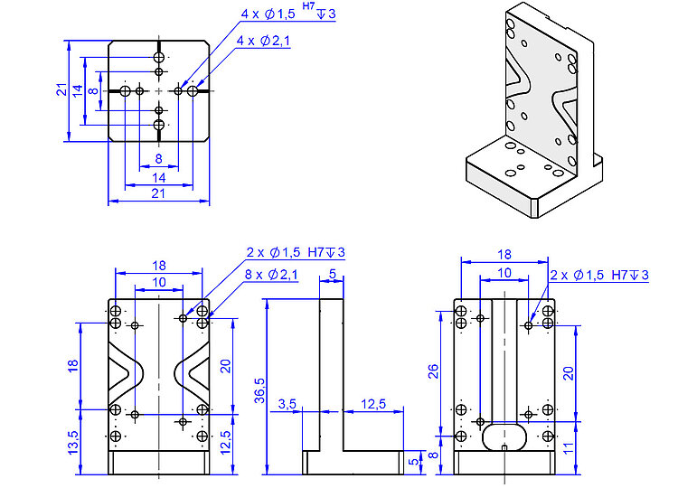
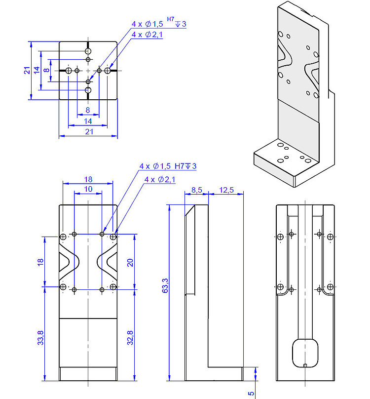
Q-121 Adapter Brackets and Adapter Plate

For Mounting Q-521 Miniature Linear Stages

  • For setup of multi-axis systems
  • For vertical and XY mounting
  • For travel ranges of 12, 22, and 32 mm
Q-121 Adapter Brackets and Adapter Plate
Product Description Downloads Quote / Order

Downloads

Datasheet

Datasheet

Datasheet Q-121

Version / Date
2018-03-23
pdf - 1,004 KB
Version / Date
2018-03-23
pdf - 1,000 KB

3D Models

3D Models

Q-121.xxx 3-D model

zip - 289 KB

Quote / Order

Ask for a free quote on quantities required, prices, and lead times or describe your desired modification.

How to Get a Quote

Click on QUOTE / ORDER
Add variant to quote list
Fill out quote form
Send price request to PI
We will contact you shortly

Ask an engineer!

Quickly receive an answer to your question by email or phone from a local PI sales engineer.

Compatible Products