Kinematic mirror mount with PiezoMike linear actuators; piezoelectric inertia drive; 16 ° × 16 ° rotational angle (θX × θY); closed frame; for 1/2" optics; vacuum-compatible to 10-6 hPa; 1 m cable length
N-480 High-Precision Kinematic Mirror Mount
With N-470 PiezoMike Linear Actuators
- High stability
- For optics with 0.5", 1" or 2" diameter
- Step size 0.3 or 0.5 µrad
- Lifetime >1,000,000,000 steps at ambient conditions and >50,000,000 steps under vacuum conditions
- Vacuum-compatible to 10-6 hPa
Kinematic mirror mounts with piezo motors
N-480 series miniature motorized kinematic optical mirror mounts are equipped with PI's high precision PiezoMike motors for ultra-high resolution angular adjustments in two tilt axes (θX and θY) down to 0.3 µrad steps. They are available for mirror and optics sizes of 0.5", 1" and 2" diameter. The high precision PiezoMike motors can be computer-controlled and will hold a position with high stability, even when not energized. Manual adjustment of the N-480 two-axis optical kinematic mounts is also possible. These types of tip/tilt mirror mounts are often used in optics research and for laser beam control and beam delivery systems. For high-speed laser beam steering, PI offers piezo flexure steering mirrors and voice-coil steering mirrors.
Piezo motors
Compact, inexpensive inertia drive principle (stick-slip). At rest, the drive is self-locking, requires no current, and does not generate any heat. It holds the position with maximum force.
Alignment of optical components
Stable alignment of optical paths. Long-term positioning stability: High stability at target position, reliable startup even after longer downtimes. High holding force and resolution by combining piezo actuators with mechanical thread translation. Vacuum-compatible to 10-6 hPa.
Specifications
Specifications
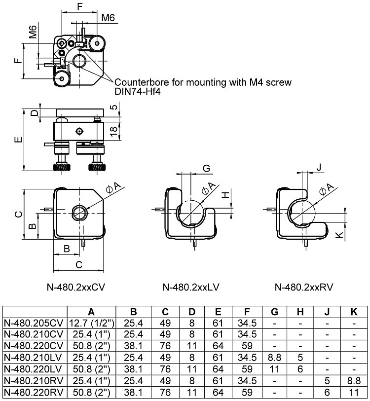
| Motion | N-480.205CV | N-480.210CV | N-480.210LV | N-480.210RV | N-480.220CV | N-480.220LV | N-480.220RV | Tolerance |
|---|---|---|---|---|---|---|---|---|
| Active axes | θX θY | θX θY | θX θY | θX θY | θX θY | θX θY | θX θY | |
| Rotation range in θX | 16 ° | 16 ° | 16 ° | 16 ° | 8 ° | 8 ° | 8 ° | |
| Rotation range in θY | 16 ° | 16 ° | 16 ° | 16 ° | 8 ° | 8 ° | 8 ° | |
| Positioning | N-480.205CV | N-480.210CV | N-480.210LV | N-480.210RV | N-480.220CV | N-480.220LV | N-480.220RV | Tolerance |
| Nominal incremental motion in θX | 0.5 µrad | 0.5 µrad | 0.5 µrad | 0.5 µrad | 0.3 µrad | 0.3 µrad | 0.3 µrad | |
| Nominal incremental motion in θY | 0.5 µrad | 0.5 µrad | 0.5 µrad | 0.5 µrad | 0.3 µrad | 0.3 µrad | 0.3 µrad | |
| Drive Properties | N-480.205CV | N-480.210CV | N-480.210LV | N-480.210RV | N-480.220CV | N-480.220LV | N-480.220RV | Tolerance |
| Drive type | Piezoelectric inertia drive | Piezoelectric inertia drive | Piezoelectric inertia drive | Piezoelectric inertia drive | Piezoelectric inertia drive | Piezoelectric inertia drive | Piezoelectric inertia drive | |
| Operating voltage, peak-to-peak | 80 V | 80 V | 80 V | 80 V | 80 V | 80 V | 80 V | |
| Drive force in positive direction of motion in Z | 22 N | 22 N | 22 N | 22 N | 22 N | 22 N | 22 N | typ. |
| Mechanical Properties | N-480.205CV | N-480.210CV | N-480.210LV | N-480.210RV | N-480.220CV | N-480.220LV | N-480.220RV | Tolerance |
| Holding force in Z, passive | 100 N | 100 N | 100 N | 100 N | 100 N | 100 N | 100 N | min. |
| Overall mass | 220 g | 220 g | 220 g | 220 g | 300 g | 300 g | 300 g | |
| Material | Screw: Stainless steel. Mount: Aluminum. | Screw: Stainless steel. Mount: Aluminum. | Screw: Stainless steel. Mount: Aluminum. | Screw: Stainless steel. Mount: Aluminum. | Screw: Stainless steel. Mount: Aluminum. | Screw: Stainless steel. Mount: Aluminum. | Screw: Stainless steel. Mount: Aluminum. | |
| Platform version | Closed frame | Closed frame | Open frame left | Open frame right | Closed frame | Open frame left | Open frame right | |
| Miscellaneous | N-480.205CV | N-480.210CV | N-480.210LV | N-480.210RV | N-480.220CV | N-480.220LV | N-480.220RV | Tolerance |
| Operating temperature range | 10 to 40 °C | 10 to 40 °C | 10 to 40 °C | 10 to 40 °C | 10 to 40 °C | 10 to 40 °C | 10 to 40 °C | |
| Connector | LEMO FFA.0S.303.CLAC27 | LEMO FFA.0S.303.CLAC27 | LEMO FFA.0S.303.CLAC27 | LEMO FFA.0S.303.CLAC27 | LEMO FFA.0S.303.CLAC27 | LEMO FFA.0S.303.CLAC27 | LEMO FFA.0S.303.CLAC27 | |
| Cable length | 1 m | 1 m | 1 m | 1 m | 1 m | 1 m | 1 m | |
| Recommended controllers / drivers | E-872.401 | E-872.401 | E-872.401 | E-872.401 | E-872.401 | E-872.401 | E-872.401 | |
| Vacuum class | 10⁻⁶ hPa | 10⁻⁶ hPa | 10⁻⁶ hPa | 10⁻⁶ hPa | 10⁻⁶ hPa | 10⁻⁶ hPa | 10⁻⁶ hPa |
Downloads
Product Note
Datasheet
Documentation
User Manual N480UM0001
3D Models
N-480 3-D model
Quote / Order
Ask for a free quote on quantities required, prices, and lead times or describe your desired modification.
Kinematic mirror mount with PiezoMike linear actuators; piezoelectric inertia drive; 16 ° × 16 ° rotational angle (θX × θY); closed frame; for 1" optics; vacuum-compatible to 10-6 hPa; 1 m cable length
Kinematic mirror mount with PiezoMike linear actuators; piezoelectric inertia drive; 16 ° × 16 ° rotational angle (θX × θY); frame with opening to the left; for 1" optics; vacuum-compatible to 10-6 hPa; 1 m cable length
Kinematic mirror mount with PiezoMike linear actuators; piezoelectric inertia drive; 16 ° × 16 ° rotational angle (θX × θY); frame with opening to the right; for 1" optics; vacuum-compatible to 10-6 hPa; 1 m cable length
Kinematic mirror mount with PiezoMike linear actuators; piezoelectric inertia drive; 8 ° × 8 ° rotational angle (θX × θY); closed frame; for 2" optics; vacuum-compatible to 10-6 hPa; 1 m cable length
Kinematic mirror mount with PiezoMike linear actuators; piezoelectric inertia drive; 8 ° × 8 ° rotational angle (θX × θY); frame with opening to the left; for 2" optics; vacuum-compatible to 10-6 hPa; 1 m cable length
Kinematic mirror mount with PiezoMike linear actuators; piezoelectric inertia drive; 8 ° × 8 ° rotational angle (θX × θY); frame with opening to the right; for 2" optics; vacuum-compatible to 10-6 hPa; 1 m cable length
How to Get a Quote

Ask an engineer!
Quickly receive an answer to your question by email or phone from a local PI sales engineer.














